|   |  
    
   	
          
        September 25, 2012   | 
      
      
         
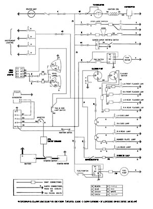
          This is the modified schematic. 
          The intention was to create a Seven electrical system that would have been standard had they realized that more than two fuses was a good idea. 
          Most double-E's out there can appreciate how difficult it is to find a 50's-vintage schematic capture system, but I managed.  | 
          
          An MGB harness of about the same vintage has lots of the right color wires in it. 
          | 
      
      
         
        This is how it starts. 
        laying the wires in place with masking tape.  | 
          
        The black electrical tape will stay inside the harness when it's done.  | 
      
      
         
        The finished engine compartment harness.  | 
          
        The engine harness in place.  | 
      
      
         
        The rear harness.  | 
         
  | 
      
      
         
        The mounting threads on the turn signal switch were stripped, and these switches are quite pricey. 
        The solution was to drill and tap holes for two 8-32 FH screws  | 
          
        They were located so the nut would cover them.  | 
      
         
        Surgery on the instrument panel: 
        Flaps were cut and held out of the way with masking tape while the holes were drilled and countersunk.  | 
          
        With the flaps glued down and the nut in place, it's not possible to see the screws. 
        And the switch is more solidly mounted than ever.  | 
      
         
        The finished wiring. 
        12 Fuses and a 100A circuit breaker.  | 
         
  |